

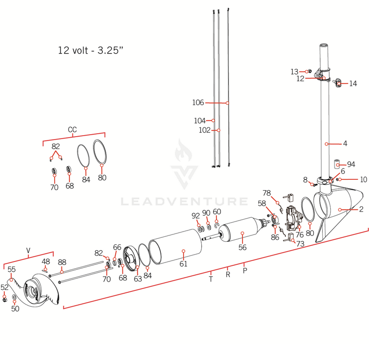
Minn Kota TM Parts
Minn Kota THRU BOLT 8-32 X 8.96 P/N: 830-078
Minn Kota THRU BOLT 8-32 X 8.96 P/N: 830-078
Thorne Bros - 10091 Central Ave. - PH# 763.572.3782
10091 Central Ave NE
Blaine MN 55434
United States
Fish-Lectronics - 1109 Cty. Rd. 10 - PH# 763.571.1277
1109 County Road 10
Minneapolis MN 55432
United States
Choose options
Thru bolt for select Minn Kota motors
Call The Store for Non-Listed Parts and/or Questions - 763-571-1277
Ref: (88)

⚠️ WARNING: Cancer and Reproductive Harm - www.P65Warnings.ca.gov.
Important Notice – Jigs and Sinkers
- The sale of this item may be restricted in Maine (ME), New Hampshire (NH), Vermont (VT), and New York (NY).
- Please check your local laws and regulations before ordering or using this product.
- Thorne Bros is not responsible for orders placed in violation of state restrictions.
